Форум проекта ProTV.UA


Цифровое эфирное ТВ, спутниковое, кабельное, IPTV, OTT, радиовещание
Форум ProTV Форум ProTV    Новости ProTV Новости ProTV    Форум Mediasat Форум Mediasat
Текущее время: 23 мар 2026, 06:58
* Вход   * Регистрация

MediaPlayer - интернет-магазин по продаже, установке, настройке, обслуживанию
медиаплееров, сет-топ-боксов, домашних кинотеатров
Розница/опт. Гибкая система скидок. Доставка по Киеву, Украине.
Тел. (+38 050) 130 86 81, (098) 151 30 51




Видео с Ex.UA, FS. UA, Вконтакт на экране телевизора
 
Спутниковое. кабельное, эфирное ТВ, Т2, Openbox, Киев и Украина Конверторы INVERTO, весь модельный ряд, прямые поставки от производителя,лучшая цена в Украине



Часовой пояс: UTC + 2 часа




Начать новую тему Ответить на тему  [ Сообщений: 15 ] 
Автор Сообщение
 Заголовок сообщения: Спутниковая офсетная антенна Channel Master 2,4 m
Сообщение Добавлено: 31 июл 2022, 17:24 
Не в сети
DX-er
DX-er
Аватара пользователя

Зарегистрирован: 03 янв 2011, 13:58
Сообщения: 1371
Откуда: Шепетовка Хмельницкая обл
Страна: Ukraine (ua)
Репутация: 149

Повысить репутациюПонизить репутацию
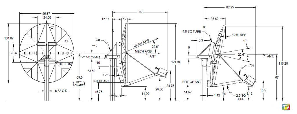
В этой теме будем обсуждать антенну Channel Master 2.4м (240*270см)
Установка и так далее....

http://www.oxfordconsultech.com/docvsat ... _45003.pdf


Вложения:
1490221700145110065.jpg


_________________
VU+ULTIMO 4K Combo,VU+DUO 4K Combo,AX HD61 4K Combo-2шт,AB PULSe 4K Combo,UClan Ustym 4K PRO,U2C Denys H.265,VU+Ultimo,VU+Solo,(CI+CAM-много).

43Wc(370),40Wc(180),15-12-8-5-4-1W-3E-5E-7E-9E(T90),11Wc(164),10E-13Е-16Е-19Е-23E(110),28Е-31E-36E(110),36E(90),39E-42E(110),40Ес(60)
40E(180),49Ec(85),40Ес-46E-49Ec-53E(164),53Ес-55Е(164),56E-(90),53Ес-60E-66E(110),70.5E(180),68E-75E(110),75Е-80Е(240),86E(200),90E-95E(110)
85E-90Еc(180),96.5Ec(250),96.5E(180),96.5Ec-100Ec-103Ec(420)

полярка 2,6m С 98Е-27,5W
полярка 2,5m KU 100E-30W
DVB-T2 : Dipol 25/21-40,Dipol 25/41-60,Dipol 11/5-12
FM : Dipol 5/RZ B,Pioneer
SATDX-LIFE Forum
Вернуться к началу
 Профиль  
Ответить с цитатой  
 
 
Вернуться к началу  
 Заголовок сообщения: Re: Спутниковая офсетная антенна Channel Master 2,4 m
Сообщение Добавлено: 31 июл 2022, 17:55 
Не в сети
DX-er
DX-er
Аватара пользователя

Зарегистрирован: 03 янв 2011, 13:58
Сообщения: 1371
Откуда: Шепетовка Хмельницкая обл
Страна: Ukraine (ua)
Репутация: 149

Повысить репутациюПонизить репутацию
Небольшая пред-история приобретения:
Достались нам такие антенны 2шт. с израильского посольства в Киеве через Александра Глущенко и так как их не использовали они пролежали около 7 лет на открытой зоне подвергающимся все сезонным погодным условиям.
Несколько фото моментов приобретения:


Вложения:
1.jpg

2.jpg

3.jpg

4.jpg

5.jpg

6.jpg

7.jpg

8.jpg

9.jpg

10.jpg

11.jpg

12.jpg


_________________
VU+ULTIMO 4K Combo,VU+DUO 4K Combo,AX HD61 4K Combo-2шт,AB PULSe 4K Combo,UClan Ustym 4K PRO,U2C Denys H.265,VU+Ultimo,VU+Solo,(CI+CAM-много).

43Wc(370),40Wc(180),15-12-8-5-4-1W-3E-5E-7E-9E(T90),11Wc(164),10E-13Е-16Е-19Е-23E(110),28Е-31E-36E(110),36E(90),39E-42E(110),40Ес(60)
40E(180),49Ec(85),40Ес-46E-49Ec-53E(164),53Ес-55Е(164),56E-(90),53Ес-60E-66E(110),70.5E(180),68E-75E(110),75Е-80Е(240),86E(200),90E-95E(110)
85E-90Еc(180),96.5Ec(250),96.5E(180),96.5Ec-100Ec-103Ec(420)

полярка 2,6m С 98Е-27,5W
полярка 2,5m KU 100E-30W
DVB-T2 : Dipol 25/21-40,Dipol 25/41-60,Dipol 11/5-12
FM : Dipol 5/RZ B,Pioneer
SATDX-LIFE Forum
Вернуться к началу
 Профиль  
Ответить с цитатой  
 Заголовок сообщения: Re: Спутниковая офсетная антенна Channel Master 2,4 m
Сообщение Добавлено: 31 июл 2022, 18:02 
Не в сети
DX-er
DX-er
Аватара пользователя

Зарегистрирован: 03 янв 2011, 13:58
Сообщения: 1371
Откуда: Шепетовка Хмельницкая обл
Страна: Ukraine (ua)
Репутация: 149

Повысить репутациюПонизить репутацию
После прибытия в Шепетовку,антенны были очищенны от грязи и покрашены:

148010679247894098.jpg

1.jpg

2.jpg

3.jpg

4.jpg



Вложения:
147924429663439292.jpg

148010652985167669.jpg


_________________
VU+ULTIMO 4K Combo,VU+DUO 4K Combo,AX HD61 4K Combo-2шт,AB PULSe 4K Combo,UClan Ustym 4K PRO,U2C Denys H.265,VU+Ultimo,VU+Solo,(CI+CAM-много).

43Wc(370),40Wc(180),15-12-8-5-4-1W-3E-5E-7E-9E(T90),11Wc(164),10E-13Е-16Е-19Е-23E(110),28Е-31E-36E(110),36E(90),39E-42E(110),40Ес(60)
40E(180),49Ec(85),40Ес-46E-49Ec-53E(164),53Ес-55Е(164),56E-(90),53Ес-60E-66E(110),70.5E(180),68E-75E(110),75Е-80Е(240),86E(200),90E-95E(110)
85E-90Еc(180),96.5Ec(250),96.5E(180),96.5Ec-100Ec-103Ec(420)

полярка 2,6m С 98Е-27,5W
полярка 2,5m KU 100E-30W
DVB-T2 : Dipol 25/21-40,Dipol 25/41-60,Dipol 11/5-12
FM : Dipol 5/RZ B,Pioneer
SATDX-LIFE Forum
Вернуться к началу
 Профиль  
Ответить с цитатой  
 
 

Спутниковый ресивет Violet

 

Журнал о спутниковом ТВ - MEDIASAT

 


Вернуться к началу  
 Заголовок сообщения: Re: Спутниковая офсетная антенна Channel Master 2,4 m
Сообщение Добавлено: 31 июл 2022, 18:41 
Не в сети
DX-er
DX-er
Аватара пользователя

Зарегистрирован: 03 янв 2011, 13:58
Сообщения: 1371
Откуда: Шепетовка Хмельницкая обл
Страна: Ukraine (ua)
Репутация: 149

Повысить репутациюПонизить репутацию
Измерял зеркало полностью с ребром ,получилось 244,8см*264,8см
ребро равно 0.8см до полезной площади,соотвественно с двух сторон 0.8см умножаем на 2 =1.6см
В итоге рабочая площадь 243,2*263,2


Вложения:
152996701628585265.jpg

152996702082889696.jpg

1.jpg

2.jpg

3.jpg

4.jpg

5.jpg

6.jpg

7.jpg

8.jpg

9.jpg

10.jpg

11.jpg

12.jpg

13.jpg

14.jpg


_________________
VU+ULTIMO 4K Combo,VU+DUO 4K Combo,AX HD61 4K Combo-2шт,AB PULSe 4K Combo,UClan Ustym 4K PRO,U2C Denys H.265,VU+Ultimo,VU+Solo,(CI+CAM-много).

43Wc(370),40Wc(180),15-12-8-5-4-1W-3E-5E-7E-9E(T90),11Wc(164),10E-13Е-16Е-19Е-23E(110),28Е-31E-36E(110),36E(90),39E-42E(110),40Ес(60)
40E(180),49Ec(85),40Ес-46E-49Ec-53E(164),53Ес-55Е(164),56E-(90),53Ес-60E-66E(110),70.5E(180),68E-75E(110),75Е-80Е(240),86E(200),90E-95E(110)
85E-90Еc(180),96.5Ec(250),96.5E(180),96.5Ec-100Ec-103Ec(420)

полярка 2,6m С 98Е-27,5W
полярка 2,5m KU 100E-30W
DVB-T2 : Dipol 25/21-40,Dipol 25/41-60,Dipol 11/5-12
FM : Dipol 5/RZ B,Pioneer
SATDX-LIFE Forum
Вернуться к началу
 Профиль  
Ответить с цитатой  
 Заголовок сообщения: Re: Спутниковая офсетная антенна Channel Master 2,4 m
Сообщение Добавлено: 31 июл 2022, 18:51 
Не в сети
DX-er
DX-er
Аватара пользователя

Зарегистрирован: 26 июн 2022, 17:18
Сообщения: 124
Откуда: Днепр
Страна: Ukraine (ua)
Репутация: 3

Повысить репутациюПонизить репутацию
Приехал ко мне в мае 2019 г. из города Северодонецк замечательный груз

155812048284445939.jpg



1.jpg

2.jpg

3.jpg

4.jpg

5.jpg

6.jpg

7.jpg




По ходу из этой кучи хлама предстоит собрать в одно целое два устройства :mrgreen:

8.jpg

9.jpg



Все хорошо, одно плохо. Как видно на последнем рисунке данный азимутальный подвес принимает спутники начиная с угла места 10° :?
Так что в планах возможно предстоит переделка под полярный подвес.

_________________
U2C Denys H.265,UClan Denys H265 PRO Combo, vu+ solo, sat-integral s-1227 hd heavy metal, orton 9500 hd, openbox 730.
Поворотные антенны: Прямофокус ДМЗ 180 см дуга 12w-90е Ку; Прямофокус МАВО 180 см дуга 40w-100е Ку; Прямофокус лепесковая 240 см дуга 40w-113е Си круг. + Си лин. + Ку; Прямофокус МАВО 180 см дуга 113е-38е Си лин.; Офсет МАВО 180 см дуга 40w-60е Си круг. + Си лин. + Ку; Офсет МАВО 180 см дуга 113е-19е Си круг. + Си лин. + Ку; Офсет СА-1600 дуга 100е-36е Ку; Triax TD-110 мотоподвес дуга 30w-100е Ку
Стационарные антенны: Прямофокус лепесковая 180 см 57e Си круг; СА-900 10e; СА-900 36e; СА-900 36e круг+42e; СА-900 45e; СА-900 53e; СА-900 55e+60e+48e; СА-900 56e круг; СА-900 85e; СА-1200 4w; СА-1200 5e; СА-1200 13e+9e+1w; СА-1200 19е+16е+26е; СА-1200 75е; СА-1200 28е+31e+24e; СА-1200 7е+1.9e; СА-1200 90е; Офсет МАВО 140 12w


Вернуться к началу
 Профиль  
Ответить с цитатой  
 Заголовок сообщения: Re: Спутниковая офсетная антенна Channel Master 2,4 m
Сообщение Добавлено: 31 июл 2022, 19:02 
Не в сети
DX-er
DX-er
Аватара пользователя

Зарегистрирован: 26 июн 2022, 17:18
Сообщения: 124
Откуда: Днепр
Страна: Ukraine (ua)
Репутация: 3

Повысить репутациюПонизить репутацию
Собрал на пробу этот железный пень. Обошлось без кувалды, травм и не нормативной лексики. :D
Не даром за него америкосы почти два килобакса просят.

1.jpg

2.jpg

3.jpg

4.jpg

5.jpg

6.jpg

7.jpg




Умиляет как этот девайс по хозяйски свинтили даже струбцина заземления сохранилась, за то лап нет видимо остались в фундаменте :(

_________________
U2C Denys H.265,UClan Denys H265 PRO Combo, vu+ solo, sat-integral s-1227 hd heavy metal, orton 9500 hd, openbox 730.
Поворотные антенны: Прямофокус ДМЗ 180 см дуга 12w-90е Ку; Прямофокус МАВО 180 см дуга 40w-100е Ку; Прямофокус лепесковая 240 см дуга 40w-113е Си круг. + Си лин. + Ку; Прямофокус МАВО 180 см дуга 113е-38е Си лин.; Офсет МАВО 180 см дуга 40w-60е Си круг. + Си лин. + Ку; Офсет МАВО 180 см дуга 113е-19е Си круг. + Си лин. + Ку; Офсет СА-1600 дуга 100е-36е Ку; Triax TD-110 мотоподвес дуга 30w-100е Ку
Стационарные антенны: Прямофокус лепесковая 180 см 57e Си круг; СА-900 10e; СА-900 36e; СА-900 36e круг+42e; СА-900 45e; СА-900 53e; СА-900 55e+60e+48e; СА-900 56e круг; СА-900 85e; СА-1200 4w; СА-1200 5e; СА-1200 13e+9e+1w; СА-1200 19е+16е+26е; СА-1200 75е; СА-1200 28е+31e+24e; СА-1200 7е+1.9e; СА-1200 90е; Офсет МАВО 140 12w


Вернуться к началу
 Профиль  
Ответить с цитатой  
 Заголовок сообщения: Re: Спутниковая офсетная антенна Channel Master 2,4 m
Сообщение Добавлено: 31 июл 2022, 19:07 
Не в сети
DX-er
DX-er
Аватара пользователя

Зарегистрирован: 26 июн 2022, 17:18
Сообщения: 124
Откуда: Днепр
Страна: Ukraine (ua)
Репутация: 3

Повысить репутациюПонизить репутацию
Перед бетонированием, для определения оптимального расположения штатива в направлениях восток-запад, была произведена тестовая сборка антенны.

1.jpg

2.jpg

3.jpg

4.jpg




Не смотря на то что штатив не зафиксирован фундаментом, антенна стоит как вкопанная, хотя присутствует свежий ветерок и даже стационарки не много колышит.

_________________
U2C Denys H.265,UClan Denys H265 PRO Combo, vu+ solo, sat-integral s-1227 hd heavy metal, orton 9500 hd, openbox 730.
Поворотные антенны: Прямофокус ДМЗ 180 см дуга 12w-90е Ку; Прямофокус МАВО 180 см дуга 40w-100е Ку; Прямофокус лепесковая 240 см дуга 40w-113е Си круг. + Си лин. + Ку; Прямофокус МАВО 180 см дуга 113е-38е Си лин.; Офсет МАВО 180 см дуга 40w-60е Си круг. + Си лин. + Ку; Офсет МАВО 180 см дуга 113е-19е Си круг. + Си лин. + Ку; Офсет СА-1600 дуга 100е-36е Ку; Triax TD-110 мотоподвес дуга 30w-100е Ку
Стационарные антенны: Прямофокус лепесковая 180 см 57e Си круг; СА-900 10e; СА-900 36e; СА-900 36e круг+42e; СА-900 45e; СА-900 53e; СА-900 55e+60e+48e; СА-900 56e круг; СА-900 85e; СА-1200 4w; СА-1200 5e; СА-1200 13e+9e+1w; СА-1200 19е+16е+26е; СА-1200 75е; СА-1200 28е+31e+24e; СА-1200 7е+1.9e; СА-1200 90е; Офсет МАВО 140 12w


Вернуться к началу
 Профиль  
Ответить с цитатой  
 Заголовок сообщения: Re: Спутниковая офсетная антенна Channel Master 2,4 m
Сообщение Добавлено: 31 июл 2022, 19:29 
Не в сети
DX-er
DX-er
Аватара пользователя

Зарегистрирован: 26 июн 2022, 17:18
Сообщения: 124
Откуда: Днепр
Страна: Ukraine (ua)
Репутация: 3

Повысить репутациюПонизить репутацию
Работа по установке штатива в картинках

1.jpg



Были сварены и установлены новые лапы

2.jpg

3.jpg



С помощью опорных болтов штатив был установлен строго по уровню

4.jpg



За тем была изготовлена опалубка

5.jpg

6.jpg



И произведено бетонирование

7.jpg



Готовый фундамент был залит водой и укрыт от солнца для набора прочности бетона

_________________
U2C Denys H.265,UClan Denys H265 PRO Combo, vu+ solo, sat-integral s-1227 hd heavy metal, orton 9500 hd, openbox 730.
Поворотные антенны: Прямофокус ДМЗ 180 см дуга 12w-90е Ку; Прямофокус МАВО 180 см дуга 40w-100е Ку; Прямофокус лепесковая 240 см дуга 40w-113е Си круг. + Си лин. + Ку; Прямофокус МАВО 180 см дуга 113е-38е Си лин.; Офсет МАВО 180 см дуга 40w-60е Си круг. + Си лин. + Ку; Офсет МАВО 180 см дуга 113е-19е Си круг. + Си лин. + Ку; Офсет СА-1600 дуга 100е-36е Ку; Triax TD-110 мотоподвес дуга 30w-100е Ку
Стационарные антенны: Прямофокус лепесковая 180 см 57e Си круг; СА-900 10e; СА-900 36e; СА-900 36e круг+42e; СА-900 45e; СА-900 53e; СА-900 55e+60e+48e; СА-900 56e круг; СА-900 85e; СА-1200 4w; СА-1200 5e; СА-1200 13e+9e+1w; СА-1200 19е+16е+26е; СА-1200 75е; СА-1200 28е+31e+24e; СА-1200 7е+1.9e; СА-1200 90е; Офсет МАВО 140 12w


Вернуться к началу
 Профиль  
Ответить с цитатой  
 Заголовок сообщения: Re: Спутниковая офсетная антенна Channel Master 2,4 m
Сообщение Добавлено: 31 июл 2022, 19:56 
Не в сети
DX-er
DX-er
Аватара пользователя

Зарегистрирован: 26 июн 2022, 17:18
Сообщения: 124
Откуда: Днепр
Страна: Ukraine (ua)
Репутация: 3

Повысить репутациюПонизить репутацию
Мой день можно охарактеризовать слоганом из передач канала Discovery Сhannel "Не пытайтесь повторить!!!"
На вопрос, можно ли в одиночку, самостоятельно собрать зеркало этой антенны, любой здравомыслящий человек ответит Нет!!! Тут помощник нужен "Homo sapiens" при чем не один :lol:
И будет на все 100% прав.
Но сегодня решил опробовать свои силы в этом, отбитом на всю голову, деле.
И если нижняя секция с горем по полам, кое как встала, то с верхней совсем беда.
Ее необходимо было поднять почти на двух метровую высоту и при этом, с обратной стороны, попасть болтами в отверстия подзеркальника.
В общем с первой попытки секция нае#&%@лась без происшествий и повреждений :mrgreen:
Затем верхняя секция была поставлена на гусак конвертера таким образом, что образовала вместе с нижней сложенный по полам лист, корешок которого был сшит толстым алюминиевым проводом.

1.jpg

2.jpg



Затем лист был "развернут", то есть Верхняя секция была заброшена на нижнюю и при этом уже не соскальзывала в стороны, а просто повисла на проводах.
Для того, что бы секция при дальнейших манипуляциях не грохнулась обратно элевацией крепление было задрано в верх.

3.jpg



Далеко не с первой попытки удалось вставить первый болт на место :shock:
На этом самая безрассудная и рискованная часть работы закончилась, и все пошло как по маслу

4.jpg

5.jpg

6.jpg



За тем приступил к выравниванию половинок

7.jpg



По мануалу для этого строго-настрого необходима "кредитка"

8.jpg

9.jpg

10.jpg



Но в нарушение лицензированного техпроцесса вместо "Mastercard" была использована бонусная карта от "розетки"
На сколько это фатально скажется в эксплуатации, узнаем потом :lol:

11.jpg

12.jpg

13.jpg

14.jpg

15.jpg



В моем комплекте, в отличие от всего, что я ранее видел в интернете, оказалась некая "премиум-труба" которая служит шаблонном фиксирующим "гусак" в строго определенном расстоянии от зеркала

16.jpg



Осталось изготовить утерянную часть крепления конвертера и перерезать резьбы в седле на метрические

17.jpg

18.jpg



Но в целом антенна уже собрана и готова к тестам. :)

_________________
U2C Denys H.265,UClan Denys H265 PRO Combo, vu+ solo, sat-integral s-1227 hd heavy metal, orton 9500 hd, openbox 730.
Поворотные антенны: Прямофокус ДМЗ 180 см дуга 12w-90е Ку; Прямофокус МАВО 180 см дуга 40w-100е Ку; Прямофокус лепесковая 240 см дуга 40w-113е Си круг. + Си лин. + Ку; Прямофокус МАВО 180 см дуга 113е-38е Си лин.; Офсет МАВО 180 см дуга 40w-60е Си круг. + Си лин. + Ку; Офсет МАВО 180 см дуга 113е-19е Си круг. + Си лин. + Ку; Офсет СА-1600 дуга 100е-36е Ку; Triax TD-110 мотоподвес дуга 30w-100е Ку
Стационарные антенны: Прямофокус лепесковая 180 см 57e Си круг; СА-900 10e; СА-900 36e; СА-900 36e круг+42e; СА-900 45e; СА-900 53e; СА-900 55e+60e+48e; СА-900 56e круг; СА-900 85e; СА-1200 4w; СА-1200 5e; СА-1200 13e+9e+1w; СА-1200 19е+16е+26е; СА-1200 75е; СА-1200 28е+31e+24e; СА-1200 7е+1.9e; СА-1200 90е; Офсет МАВО 140 12w


Вернуться к началу
 Профиль  
Ответить с цитатой  
 Заголовок сообщения: Re: Спутниковая офсетная антенна Channel Master 2,4 m
Сообщение Добавлено: 31 июл 2022, 20:33 
Не в сети
DX-er
DX-er
Аватара пользователя

Зарегистрирован: 26 июн 2022, 17:18
Сообщения: 124
Откуда: Днепр
Страна: Ukraine (ua)
Репутация: 3

Повысить репутациюПонизить репутацию
Пришло время первых тестов.

1.jpg

2.jpg



Самые дотошные и скрупулезные скажут, так конвертер то не в фокусе :?
Да так и есть, пока не изготовлен новый держатель, антенна работает в режиме вертикального мультифида, и при этом начисто уделывает насухо выжатый прямофокусный маво 180см.

3.jpg

4.jpg

5.jpg



В то время как маво на грани принимает один транспондер и еще один дергается



6.jpg

7.jpg

8.jpg





чаннел уже принимает весь спутник с запасом, при уровнях 69-54% по шкале дениса.
Что называется, почувствуйте разницу в приеме между 180 и 240 см :D
При этом мабо честно работает на все свои 100%

_________________
U2C Denys H.265,UClan Denys H265 PRO Combo, vu+ solo, sat-integral s-1227 hd heavy metal, orton 9500 hd, openbox 730.
Поворотные антенны: Прямофокус ДМЗ 180 см дуга 12w-90е Ку; Прямофокус МАВО 180 см дуга 40w-100е Ку; Прямофокус лепесковая 240 см дуга 40w-113е Си круг. + Си лин. + Ку; Прямофокус МАВО 180 см дуга 113е-38е Си лин.; Офсет МАВО 180 см дуга 40w-60е Си круг. + Си лин. + Ку; Офсет МАВО 180 см дуга 113е-19е Си круг. + Си лин. + Ку; Офсет СА-1600 дуга 100е-36е Ку; Triax TD-110 мотоподвес дуга 30w-100е Ку
Стационарные антенны: Прямофокус лепесковая 180 см 57e Си круг; СА-900 10e; СА-900 36e; СА-900 36e круг+42e; СА-900 45e; СА-900 53e; СА-900 55e+60e+48e; СА-900 56e круг; СА-900 85e; СА-1200 4w; СА-1200 5e; СА-1200 13e+9e+1w; СА-1200 19е+16е+26е; СА-1200 75е; СА-1200 28е+31e+24e; СА-1200 7е+1.9e; СА-1200 90е; Офсет МАВО 140 12w


Вернуться к началу
 Профиль  
Ответить с цитатой  
 Заголовок сообщения: Re: Спутниковая офсетная антенна Channel Master 2,4 m
Сообщение Добавлено: 12 сен 2022, 22:56 
Не в сети
DX-er
DX-er
Аватара пользователя

Зарегистрирован: 03 янв 2011, 13:58
Сообщения: 1371
Откуда: Шепетовка Хмельницкая обл
Страна: Ukraine (ua)
Репутация: 149

Повысить репутациюПонизить репутацию
Channel Master 2,4 m находится в г.Киев


Вложения:
1.jpg

2.jpg

3.jpg

4.jpg

5.jpg


_________________
VU+ULTIMO 4K Combo,VU+DUO 4K Combo,AX HD61 4K Combo-2шт,AB PULSe 4K Combo,UClan Ustym 4K PRO,U2C Denys H.265,VU+Ultimo,VU+Solo,(CI+CAM-много).

43Wc(370),40Wc(180),15-12-8-5-4-1W-3E-5E-7E-9E(T90),11Wc(164),10E-13Е-16Е-19Е-23E(110),28Е-31E-36E(110),36E(90),39E-42E(110),40Ес(60)
40E(180),49Ec(85),40Ес-46E-49Ec-53E(164),53Ес-55Е(164),56E-(90),53Ес-60E-66E(110),70.5E(180),68E-75E(110),75Е-80Е(240),86E(200),90E-95E(110)
85E-90Еc(180),96.5Ec(250),96.5E(180),96.5Ec-100Ec-103Ec(420)

полярка 2,6m С 98Е-27,5W
полярка 2,5m KU 100E-30W
DVB-T2 : Dipol 25/21-40,Dipol 25/41-60,Dipol 11/5-12
FM : Dipol 5/RZ B,Pioneer
SATDX-LIFE Forum
Вернуться к началу
 Профиль  
Ответить с цитатой  
 Заголовок сообщения: Re: Спутниковая офсетная антенна Channel Master 2,4 m
Сообщение Добавлено: 31 окт 2022, 21:27 
Не в сети
DX-er
DX-er
Аватара пользователя

Зарегистрирован: 03 янв 2011, 13:58
Сообщения: 1371
Откуда: Шепетовка Хмельницкая обл
Страна: Ukraine (ua)
Репутация: 149

Повысить репутациюПонизить репутацию
Channel Master 2,4 m ANDREW

000.jpg



Вложения:
01.jpg

02.jpg

03.jpg


_________________
VU+ULTIMO 4K Combo,VU+DUO 4K Combo,AX HD61 4K Combo-2шт,AB PULSe 4K Combo,UClan Ustym 4K PRO,U2C Denys H.265,VU+Ultimo,VU+Solo,(CI+CAM-много).

43Wc(370),40Wc(180),15-12-8-5-4-1W-3E-5E-7E-9E(T90),11Wc(164),10E-13Е-16Е-19Е-23E(110),28Е-31E-36E(110),36E(90),39E-42E(110),40Ес(60)
40E(180),49Ec(85),40Ес-46E-49Ec-53E(164),53Ес-55Е(164),56E-(90),53Ес-60E-66E(110),70.5E(180),68E-75E(110),75Е-80Е(240),86E(200),90E-95E(110)
85E-90Еc(180),96.5Ec(250),96.5E(180),96.5Ec-100Ec-103Ec(420)

полярка 2,6m С 98Е-27,5W
полярка 2,5m KU 100E-30W
DVB-T2 : Dipol 25/21-40,Dipol 25/41-60,Dipol 11/5-12
FM : Dipol 5/RZ B,Pioneer
SATDX-LIFE Forum
Вернуться к началу
 Профиль  
Ответить с цитатой  
 Заголовок сообщения: Re: Спутниковая офсетная антенна Channel Master 2,4 m
Сообщение Добавлено: 20 ноя 2022, 13:46 
Не в сети
DX-er
DX-er
Аватара пользователя

Зарегистрирован: 03 янв 2011, 13:58
Сообщения: 1371
Откуда: Шепетовка Хмельницкая обл
Страна: Ukraine (ua)
Репутация: 149

Повысить репутациюПонизить репутацию
Channel Master 2,4 m ANDREW

В Европе просят за такую антенну 2500 Евро
https://www.ebay-kleinanzeigen.de/s-anz ... 2-168-2673


Вложения:
bd25dd5d-dba0-4010-88fa-4bbf1c4ff9b0.jpg

Безымян1.jpg


_________________
VU+ULTIMO 4K Combo,VU+DUO 4K Combo,AX HD61 4K Combo-2шт,AB PULSe 4K Combo,UClan Ustym 4K PRO,U2C Denys H.265,VU+Ultimo,VU+Solo,(CI+CAM-много).

43Wc(370),40Wc(180),15-12-8-5-4-1W-3E-5E-7E-9E(T90),11Wc(164),10E-13Е-16Е-19Е-23E(110),28Е-31E-36E(110),36E(90),39E-42E(110),40Ес(60)
40E(180),49Ec(85),40Ес-46E-49Ec-53E(164),53Ес-55Е(164),56E-(90),53Ес-60E-66E(110),70.5E(180),68E-75E(110),75Е-80Е(240),86E(200),90E-95E(110)
85E-90Еc(180),96.5Ec(250),96.5E(180),96.5Ec-100Ec-103Ec(420)

полярка 2,6m С 98Е-27,5W
полярка 2,5m KU 100E-30W
DVB-T2 : Dipol 25/21-40,Dipol 25/41-60,Dipol 11/5-12
FM : Dipol 5/RZ B,Pioneer
SATDX-LIFE Forum
Вернуться к началу
 Профиль  
Ответить с цитатой  
 Заголовок сообщения: Re: Спутниковая офсетная антенна Channel Master 2,4 m
Сообщение Добавлено: 20 ноя 2022, 14:34 
Не в сети
DX-er
DX-er
Аватара пользователя

Зарегистрирован: 26 май 2020, 20:39
Сообщения: 590
Откуда: Украина,Коломыя.
Страна: Ukraine (ua)
Репутация: 1

Повысить репутациюПонизить репутацию
ето так просят потом упадет до 200₴ и все равно никто не купит.

_________________
Антенна офсет MABO 1,64 м,KTI(USA)сетка 2,5 m,Sat integral 1412 Rocket,T2 Uclan SE
Дуга круговой С Band:90е-14w
Дуга линейный С Band:93,5е-1w
Дуга круговой KU Band:36е-56e
Дуга линейный KU Band:90е-15w


Вернуться к началу
 Профиль  
Ответить с цитатой  
 Заголовок сообщения: Re: Спутниковая офсетная антенна Channel Master 2,4 m
Сообщение Добавлено: 21 ноя 2022, 22:02 
Не в сети
DX-er
DX-er

Зарегистрирован: 01 июл 2022, 22:32
Сообщения: 242
Страна: Sweden (se)
Репутация: 3

Повысить репутациюПонизить репутацию
У этих антенн очень хорошее усиление сигнала.Они солидные и поэтому столько стоят.Я думаю что цена снизится и можно будет купить за 100 евро :yahoo:

_________________
VU + Ultimo 4K / Vu + Duo 4K SE / DM920 4K / sf8008 4K / VU + Ultimo HD / U2C / SX6 /
GTMedia 4K
2szt T90 + diseq 1 \ 16
Channel Master 180cm // 75e-58w / LR / VH / Ku / Ku L, R / Szwecja /
Channel Master 120cm / Ku-band / Kolowy L / R 90e-30w / Polska /
Channel Master 2,4m 2xCband 1xKu / 95e-47w / (Polska)
Laminas AS 2710/3015 2xCband 1xKu / 62e-58w (Szwecja)


Вернуться к началу
 Профиль  
Ответить с цитатой  
Показать сообщения за:  Поле сортировки  
Начать новую тему Ответить на тему  [ Сообщений: 15 ] 

Часовой пояс: UTC + 2 часа


Кто сейчас на конференции

Сейчас этот форум просматривают: нет зарегистрированных пользователей и гости: 1


Вы не можете начинать темы
Вы не можете отвечать на сообщения
Вы не можете редактировать свои сообщения
Вы не можете удалять свои сообщения
Вы не можете добавлять вложения

Найти:
Перейти:  


Администрация и владелец форума не несут ответственности за содержание рекламной информации,
а также за содержание рекламируемых интернет-ресурсов.
Вы пользуетесь представленной здесь информацией и доверяете рекламодателям на свой страх и риск!
Администрация и владелец форума не несут ответственности за информацию и высказывания, размещённые в сообщениях пользователей форума.
Все высказывания и информация, размещённые на форуме и не имеющие ссылки на первоисточник,
выражают точку зрения исключительно автора конкретного сообщения на форуме
и никак не связаны с точкой зрения администрации или владельца форума.
Администрация старается удалять оскорбительные сообщения как самостоятельно, в процессе модерации, так и по конкретной претензии от третьего лица.
Однако удаление может происходить с некоторой задержкой. Надеемся на Ваше понимание.


© 2005 - 2026 . ProTV.NET.UA - ТВ, Технологии, Телекоммуникации